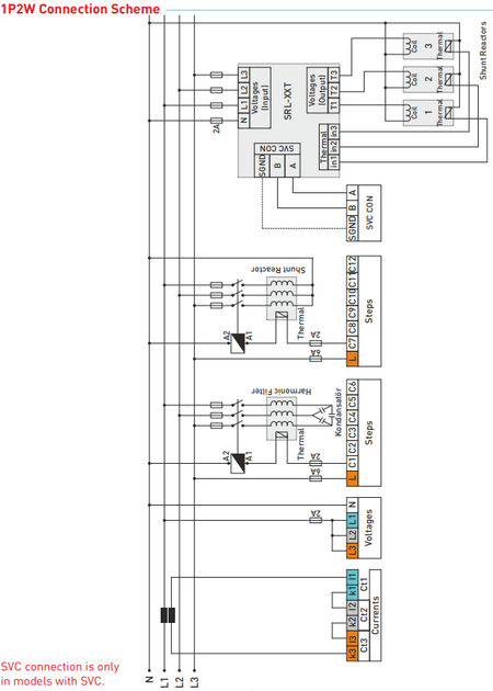
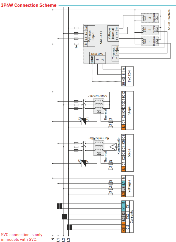
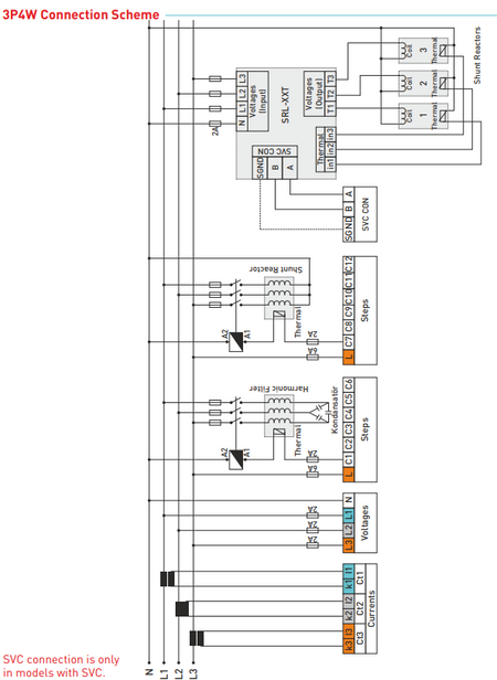
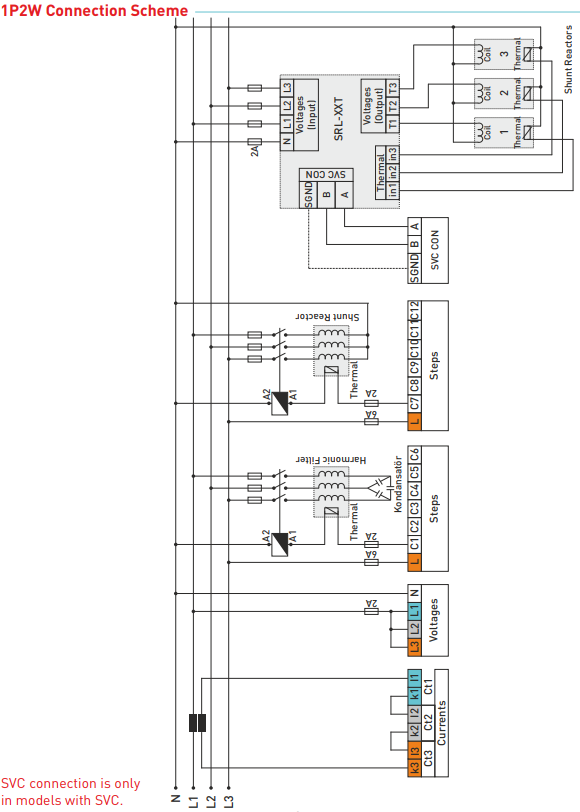
RGT-12E - regulátor jalového výkonu 12 úrovní +TCR
Nepodarilo sa načítať dostupnosť vyzdvihnutia
Regulátor účinníka 12 krokov + TCR s 2,9" grafickým LCD displejom (TENSE) - RGT-12E
Regulátor jalového výkonu RGT-12E od spoločnosti TENSE je plne automatický a veľmi presný regulátor určený na optimálne riadenie kompenzačných stupňov v energetických systémoch. Vďaka digitálnemu meraniu, inteligentným algoritmom a grafickému LCD displeju zabezpečuje stabilný účinník, účinnú reguláciu jalového výkonu a ochranu kompenzačných zariadení.
Hlavné vlastnosti a funkcie
Automatická detekcia kompenzačných stupňov
Regulátor sa po zapnutí sám nakonfiguruje:
-
Automaticky rozpozná veľkosť pripojených kondenzátorových stupňov
-
parametre je možné zadať aj manuálne
-
systém priebežne kontroluje stav každého stupňa
Inteligentné riadenie spínania
Riadiaca jednotka zapína a vypína stupne tak, aby:
-
sa dosiahne stabilný účinník s minimálnym počtom spínaní
-
jednotlivé stupne boli zaťažené rovnomerne
-
sa uprednostnili kondenzátory s najnižším zvyškovým nábojom
-
sa súčasne kontroluje stav každého stupňa (poruchy, zmeny výkonu, vybratie a opätovné vloženie)
Podpora TCR (tyristorový spínaný reaktor)
Regulátor umožňuje kompenzačné riadenie s tyristorom spínanými reaktormi, čo je ideálne pre:
-
Priemyselné aplikácie
-
dynamickú kompenzáciu
-
systémy s častými zmenami zaťaženia
pokročilé meranie a analýzu
-
Meranie harmonických napätí a prúdov až po 31. harmonickú
-
monitorovanie celkovej energie (import/export)
-
Meranie THD-V a THD-I pre každú fázu
-
Generovanie analýzy výkonu (20 vzoriek po 9999 min) - veľmi užitočné pri navrhovaní kompenzačných zostávPružnézapojenie kompenzačných prvkov
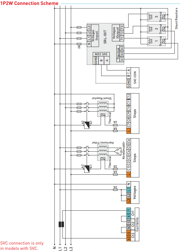
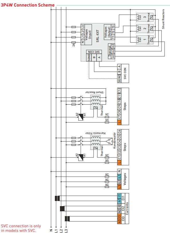
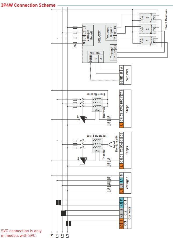
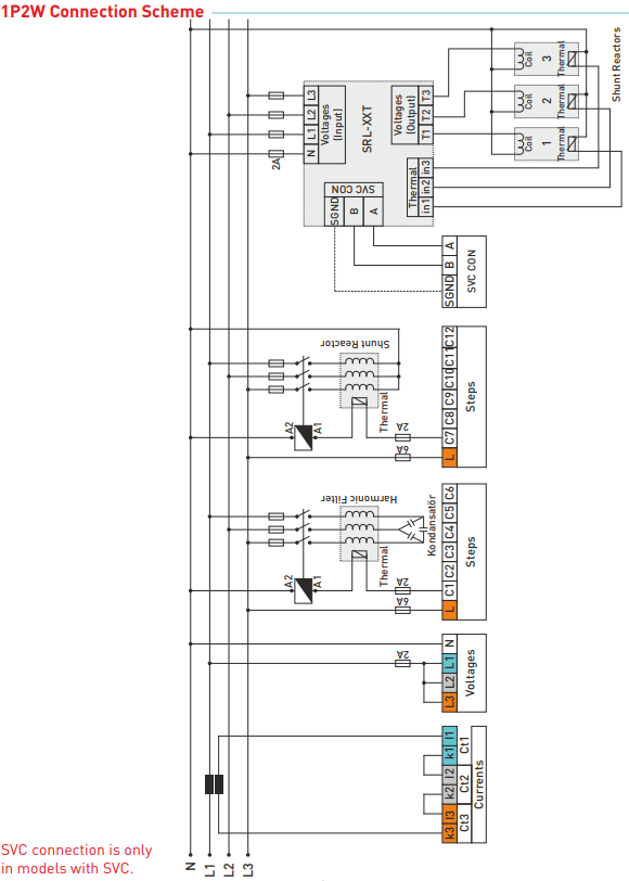
Možnosti použitia:
-
jednofázové kondenzátory
-
dvojfázové kondenzátory
-
trojfázové kondenzátory
-
bočníkové reaktory
Nastaviteľné časové funkcie
Možnosť nastavenia:
-
čas zásahu
-
čas vybíjania
-
čas ustálenia
To umožňuje presné prispôsobenie regulácie charakteru prevádzky.
Funkcie generátora
Regulátor má:
-
vstup pre riadenie generátora
-
funkciu kompenzácie napájania generátora
Technické vlastnosti (stručný prehľad)
-
12 reléových kompenzačných výstupov
-
Podpora TCR
-
Grafický LCD displej 2,9"
-
Automatická detekcia stupňa
-
Harmonické meranie až do 31. rádu
-
Štatistika a história energie
-
THD-V / THD-I
-
Podpora jednofázových, dvojfázových a trojfázových stupňov
-
Programovateľný čas vypnutia, zapnutia a vybitia
-
Ochrana proti poruchám vo fázach
Online platba kartou – po dokončení objednávky budete presmerovaní na platobnú bránu, potvrdenie o platbe vám príde na e‑mail.
Dobierka – úhradu podľa platobných podmienok zaplatíte vodičovi prepravnej spoločnosti.
Prevodom – na váš e‑mail obdržíte najneskôr nasledujúci pracovný deň zálohovú faktúru, na ktorej nájdete číslo účtu, ktoré zadáte pri platbe.
Na faktúru – túto možnosť úhrady majú partneri, ktorí majú s našou spoločnosťou uzatvorenú rámcovú zmluvu.
Ak by ste chceli použiť posledné 2 spôsoby platby, zavolajte nášmu manažérovi a ten vám poskytne inštrukcie, ako získať faktúru s DPH alebo bez DPH.
Nami dodávané elektrické zariadenia spĺňajú vysoké štandardy kvality, majú záruku 24 mesiacov a spĺňajú všetky požiadavky EÚ.
V prípade reklamácie sa za vrátenie tovaru neúčtuje žiadny poplatok.
