
Dostať upozornenie e‑mailom, keď bude produkt opäť na sklade
Predobjednávka produktu
- Popis
- Návody
- Spôsoby platby
- Záruka
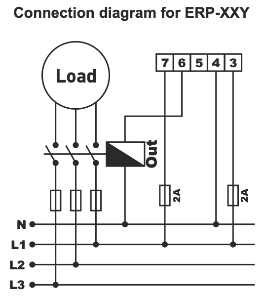
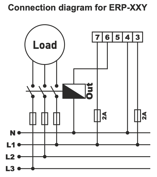
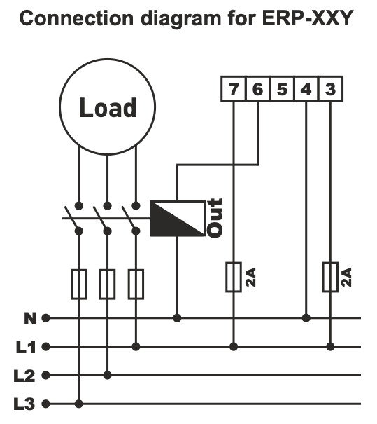
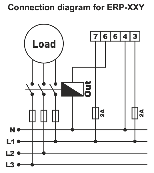
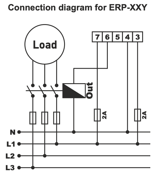
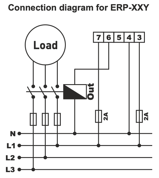
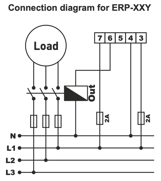
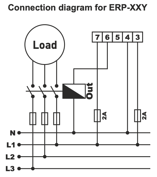
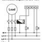
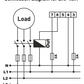
Časové oneskorenie ON-DELAY zabudované monofunkčné relé 230 V/AC s 1 spínacím kontaktom.
Časové oneskorenie/časové relé sa používa na postupné spínanie záťaží: elektrických kotlov, pecí, ohrievačov atď. a zabraňuje tak prúdovým nárazom v sieti a vypínaniu ističov v dôsledku veľkých prepätí.
Môže sa použiť aj na koordináciu času zapnutia viacerých zariadení v strojoch, prístrojoch alebo iných zariadeniach.
Časový rozsah:
ERP-03Y - 0-3 s
ERP-12Y - 0-12 s
ERP-30Y - 0-30 s
ERP-60Y - 0-60 s
ERP-03DY - 0-3 min.
ERP-12DY - 0-12 min.
ERP-30DY - 0-30 min.
ERP-60DY - 0-60 min.
Stiahnuť na
Online platba kartou – po dokončení objednávky budete presmerovaní na platobnú bránu, potvrdenie o platbe vám dorazí na e‑mail.
Dobierka – úhradu podľa platobného predpisu zaplatíte kuriérovi prepravnej spoločnosti.
Prevodom – na váš e‑mail obdržíte najneskôr nasledujúci pracovný deň zálohovú faktúru, na ktorej nájdete číslo účtu, ktoré zadáte pri platbe.
Na faktúru – túto možnosť úhrady majú partneri, ktorí majú s našou spoločnosťou uzatvorenú rámcovú zmluvu.
Ak by ste chceli použiť posledné dve možnosti, kontaktujte nášho manažéra, ktorý vám poskytne inštrukcie, ako obdržať faktúru s DPH alebo bez DPH.
Nami dodávané elektrické zariadenia spĺňajú vysoké štandardy kvality, majú záruku 24 mesiacov a vyhovujú všetkým požiadavkám EÚ.
Ponúkame tiež dopravu zdarma (pri objednávkach nad 100 €), flexibilný systém zliav a akcií. Technické znalosti a skúsenosti našich zamestnancov nám umožňujú poskytovať vysokokvalitné poradenstvo a v prípade potreby ponúknuť alternatívy elektrotechnických produktov.
Elektrické vybavenie, ktoré dodávame, spĺňa vysoké štandardy kvality, je kryté 24-mesačnou zárukou a spĺňa všetky požiadavky EÚ.
V prípade reklamácie sa vrátenie tovaru neúčtuje.
