Digitálny indikátor prúdu Trojfázový panelový ampérmeter Trojfázový vstavaný
Nepodarilo sa načítať dostupnosť vyzdvihnutia
DJ-A96T - trojfázový digitálny panelový ampérmeter
Trojfázový digitálny ampérmeter DJ-A96T je určený na presné monitorovanie prúdu v trojfázových systémoch. Dokáže zobraziť okamžité zaťaženie každej fázy L1, L2, L3 pomocou externých prúdových transformátorov (CT). Zariadenie ponúka prehľadné zobrazenie, jednoduché nastavenie a spoľahlivú prevádzku.
Hlavné vlastnosti
-
Meranie prúdu v trojfázových systémoch
-
Samostatné čítanie pre fázy L1, L2, L3
-
Meranie pomocou externých transformátorov prúdu
-
Jednoduché nastavenie pomeru CT
-
Veľký a čitateľný displej - 3 × 4 číslice, výška 14 mm
-
Kompaktný dizajn panela
Technické parametre ampérmetra
-
Napájacie napätie: 230 V AC
-
Spotreba zariadenia: < 4 VA
-
Rozsah merania prúdu: 0,1...5,5 A
-
Podporovaný rozsah CT: 5/5 A až 5000/5 A
-
Presnosť merania: ±2 %
-
Displej: LED, 3 × 4 číslice, výška 14 mm
-
Rozmery: 97,2 × 97,2 mm
-
Rozmery výrezu: 91 × 91 mm
-
Hĺbka: 45 mm
-
Balenie neobsahuje prúdové transformátory (možno zakúpiť samostatne)
Princíp činnosti a nastavenia
-
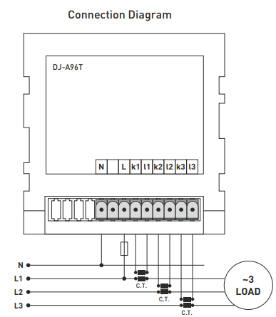
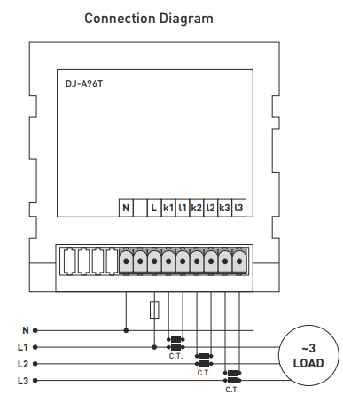
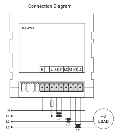
Zariadenie pripojte podľa schémy zapojenia.
-
Pripojte prúdové transformátory podľa očakávaného prúdu v systéme (prepočet xxxx/5 A).
-
Pripojte vodiče CT k svorkám "kx" a "lx". Výstup CT nesmie prekročiť 5 A.
-
Po zapnutí napájania podržte tlačidlo "Menu" 2 sekundy.
-
Pomocou tlačidiel hore/dole nastavte konverziu použitých CT.
-
Nastavenia uložte dlhým stlačením tlačidla "Menu".
-
Po pripojení záťaže začne ampérmeter merať a zobrazovať prúd.
Poznámka: Transformátory prúdu musia byť z bezpečnostných dôvodov vždy uzemnené.
Technické charakteristiky polovodičového výstupného relé
(Tentoraz uvedené parametre zodpovedajú SSR - ak má byť samostatné, môžem ho rozdeliť).
-
Typ relé: polovodičové
-
Riadiace napätie (vstup): 3...32 V DC
-
Spínacie napätie: 24...480 V AC (nie je vhodné pre motory)
-
Spínací úbytok napätia: < 3 V
-
Spúšťací prúd: 5 mA
-
Napätie cievky: 3...32 V DC
-
Maximálny spínací prúd: 25 A
-
Izolačná pevnosť: 2500 V AC
-
Spínací spôsob: zapnutie pri prechode prúdu nulou
Online platba kartou – po dokončení objednávky budete presmerovaní na platobnú bránu, potvrdenie o platbe vám príde na e‑mail.
Dobierka – úhradu podľa platobných podmienok zaplatíte vodičovi prepravnej spoločnosti.
Prevodom – na váš e‑mail obdržíte najneskôr nasledujúci pracovný deň zálohovú faktúru, na ktorej nájdete číslo účtu, ktoré zadáte pri platbe.
Na faktúru – túto možnosť úhrady majú partneri, ktorí majú s našou spoločnosťou uzatvorenú rámcovú zmluvu.
Ak by ste chceli použiť posledné 2 spôsoby platby, zavolajte nášmu manažérovi a ten vám poskytne inštrukcie, ako získať faktúru s DPH alebo bez DPH.
Nami dodávané elektrické zariadenia spĺňajú vysoké štandardy kvality, majú záruku 24 mesiacov a spĺňajú všetky požiadavky EÚ.
V prípade reklamácie sa za vrátenie tovaru neúčtuje žiadny poplatok.
