Digitálny ampérmeter a voltmeter DAV-72D na panel pre striedavý prúd 100 A, 150 V
Nepodarilo sa načítať dostupnosť vyzdvihnutia
Digitálny panelový multimeter 72x72 mm - TENSE (DAV-72D)
Popis produktu:
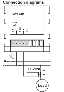
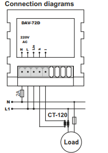
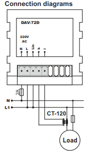
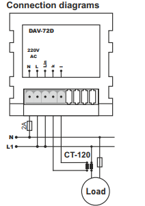
DAV-72D je 1-fázový digitálny kombinovaný voltmeter-ammeter, určený na nepretržité monitorovanie striedavého napätia medzi fázovým a nulovým vodičom a odoberaného záťažového prúdu, meraného externým prúdovým transformátorom (CT-120, je súčasťou dodávky). Prístroj je vhodný pre elektrické rozvádzače, výrobné závody a rozvodné alebo monitorovacie systémy.
Princíp činnosti a použitie:
-
Pripojenie k meranému fázovému a nulovému vodiču cez svorky na meranie napätia.
-
Meranie prúdu prostredníctvom externého prúdového transformátora CT-120, ktorého sekundárne vodiče sa pripájajú na svorky K a L na zadnej strane prístroja.
-
Po pripojení napájania sa na displeji zobrazí:
-
Skutočné fázové napätie (V)
-
záťažový prúd (A)
-
Inštalácia a nastavenie:
-
Montáž na predný panel (výrez 68 × 68 mm)
-
Zapojenie CT-120 podľa schémy, záťažový vodič vedený cez transformátor
-
Nepoužívajte iné transformátory prúdu - prístroj je kalibrovaný špeciálne pre CT-120
Technické špecifikácie:
-
Prevádzkové napätie: 140 - 270 VAC.
-
Sieťová frekvencia: 50/60 Hz
-
Rozsah zobrazovaného napätia: 5 - 300 V AC
-
Rozsah meraného prúdu: 1-100 A (prostredníctvom CT-120)
-
Presnosť:
-
Napätie: ±1%
-
Prúd: ±3 %
-
-
Displej: 2 riadky, 3 číslice, výška znaku 14 mm
-
Príkon prístroja: <6 VA
-
Prevádzková teplota: -20 °C až +55 °C
-
Nadmorská výška: do 2000 m
-
Pripojenie: zásuvné svorky, prierez kábla do 1,5 mm²
-
Montáž: panel, predná strana
-
Hmotnosť: do 220 g
Online platba kartou – po dokončení objednávky budete presmerovaní na platobnú bránu, potvrdenie o platbe vám príde na e‑mail.
Dobierka – úhradu podľa platobných podmienok zaplatíte vodičovi prepravnej spoločnosti.
Prevodom – na váš e‑mail obdržíte najneskôr nasledujúci pracovný deň zálohovú faktúru, na ktorej nájdete číslo účtu, ktoré zadáte pri platbe.
Na faktúru – túto možnosť úhrady majú partneri, ktorí majú s našou spoločnosťou uzatvorenú rámcovú zmluvu.
Ak by ste chceli použiť posledné 2 spôsoby platby, zavolajte nášmu manažérovi a ten vám poskytne inštrukcie, ako získať faktúru s DPH alebo bez DPH.
Nami dodávané elektrické zariadenia spĺňajú vysoké štandardy kvality, majú záruku 24 mesiacov a spĺňajú všetky požiadavky EÚ.
V prípade reklamácie sa za vrátenie tovaru neúčtuje žiadny poplatok.
