Digitálne nadprúdové relé s napäťovou ochranou a 3×3-miestnym LED displejom TRM-30F
Nepodarilo sa načítať dostupnosť vyzdvihnutia
|
Monitorovacie nadprúdové relé TRM-30F s displejom, 3-fázové do 25 A Je určené na ochranu zariadení citlivých na hodnoty prevádzkového prúdu a napätia pred chybami, ktoré môžu vzniknúť v dôsledku:
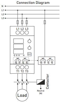
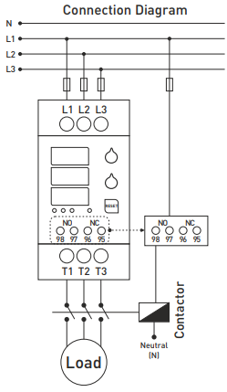
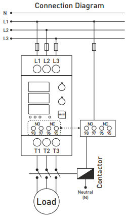
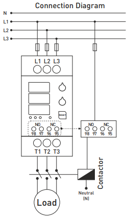
Digitálne nadprúdové relé TRM-30F s displejom umožňuje zobraziť prúd v každej fáze a chrániť motor alebo spotrebič pred nadprúdom, prepätím, podpätím, výpadkom fázy a prepólovaním fáz. Tieto digitálne preťažovacie relé sú navrhnuté tak, aby zabránili poškodeniu motora/záťaže vysokými prúdmi a zároveň umožňujú sledovať prúd tečúci v každej fáze na displeji. Sú tiež schopné kontrolovať kumulatívne hodnoty napätia medzi fázami. Pomocou dvoch výstupných relé (1x NO, 1x NC) je tiež možné ovládať alebo odpojiť záťaž, keď nadprúd dosiahne nastavenú hodnotu, alebo zapnúť signalizačný kontakt do riadiaceho systému. Digitálne relé TRM-xx majú zabudované transformátory prúdu a 3x3-miestny displej na zobrazenie prúdu. Použitie a princíp činnosti
Ovládače
Stav kontaktov
Indikačná LED dióda
Funkcia tlačidla "V/A/RESET"
Ochrana a princíp činnosti 1. Nadprúdová ochrana (0,5-30 A):
2. Ochrana proti asymetrii prúdu:
3. Ochrana proti prepätiu (U>440 V):
4. Podpäťová ochrana (U<265 V):
5. Ochrana proti asymetrii napätia:
6. Ochrana proti striedaniu fáz:
Výpočet asymetrie prúdu Prístroj vypočíta asymetriu podľa vzorca:
Príklad: ((25 - 15) / 25) × 100 = 40% asymetria prúdu. Technická špecifikácia
|
Online platba kartou – po dokončení objednávky budete presmerovaní na platobnú bránu, potvrdenie o platbe vám príde na e‑mail.
Dobierka – úhradu podľa platobných podmienok zaplatíte vodičovi prepravnej spoločnosti.
Prevodom – na váš e‑mail obdržíte najneskôr nasledujúci pracovný deň zálohovú faktúru, na ktorej nájdete číslo účtu, ktoré zadáte pri platbe.
Na faktúru – túto možnosť úhrady majú partneri, ktorí majú s našou spoločnosťou uzatvorenú rámcovú zmluvu.
Ak by ste chceli použiť posledné 2 spôsoby platby, zavolajte nášmu manažérovi a ten vám poskytne inštrukcie, ako získať faktúru s DPH alebo bez DPH.
Nami dodávané elektrické zariadenia spĺňajú vysoké štandardy kvality, majú záruku 24 mesiacov a spĺňajú všetky požiadavky EÚ.
V prípade reklamácie sa za vrátenie tovaru neúčtuje žiadny poplatok.
