Digitálne nadprúdové relé s LED displejom 3×3 číslice TRM-50
Nepodarilo sa načítať dostupnosť vyzdvihnutia
|
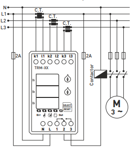
Relé na monitorovanie/obmedzenie záťaže, 3-fázové, rozsah 15-50 A, výrobca TENSE (Turecko) Digitálne relé preťaženia TRM-50 je určené na ochranu záťaže pred poškodením spôsobeným vysokými prúdmi a zároveň umožňuje kontrolu prevádzky.
Použitie zariadenia a princíp činnosti
Keď je zariadenie zapnuté:
Elektronické prúdové relé série TRM-50 je určené na automatické odpojenie spotrebičov pri prekročení maximálnych povolených prúdov. Má programovateľný rozsah vypnutia, čas vypnutia a nastavenie spätného vypnutia. K dispozícii sú 3 režimy návratu do "prevádzkového" stavu - MANUAL, SEMI-AUTO, AUTO. Režimy návratu do pôvodného stavu
Poznámka: Ak chcete zmeniť režim, podržte tlačidlo SELECT po dobu 10 sekúnd. Po zmene režimu sa rozsvieti príslušná LED dióda. Prúdová asymetria 50 % (pevná) Ak rozdiel medzi najvyšším a najnižším prúdom vo fázach prekročí 50 %, zariadenie do 2 sekúnd prejde do režimu chyby asymetrie (zabraňuje poškodeniu systému pri strate jednej fázy). Keď nastane chyba asymetrie:
Technické parametre
Poznámka: Modely TRM-50, TRM-100, TRM-200 a TRM-300 možno používať len s dodanými prúdovými transformátormi.
Základné
|
Online platba kartou – po dokončení objednávky budete presmerovaní na platobnú bránu, potvrdenie o platbe vám príde na e‑mail.
Dobierka – úhradu podľa platobných podmienok zaplatíte vodičovi prepravnej spoločnosti.
Prevodom – na váš e‑mail obdržíte najneskôr nasledujúci pracovný deň zálohovú faktúru, na ktorej nájdete číslo účtu, ktoré zadáte pri platbe.
Na faktúru – túto možnosť úhrady majú partneri, ktorí majú s našou spoločnosťou uzatvorenú rámcovú zmluvu.
Ak by ste chceli použiť posledné 2 spôsoby platby, zavolajte nášmu manažérovi a ten vám poskytne inštrukcie, ako získať faktúru s DPH alebo bez DPH.
Nami dodávané elektrické zariadenia spĺňajú vysoké štandardy kvality, majú záruku 24 mesiacov a spĺňajú všetky požiadavky EÚ.
V prípade reklamácie sa za vrátenie tovaru neúčtuje žiadny poplatok.
