Digitálne nadprúdové relé s 3×3-miestnym LED displejom TRM-300
Nepodarilo sa načítať dostupnosť vyzdvihnutia
|
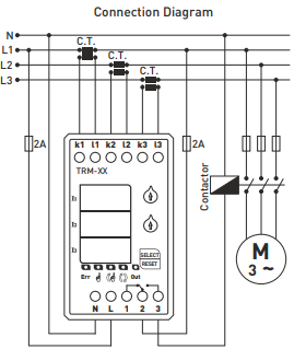
Trojfázové prúdové relé na riadenie/obmedzenie záťažového prúdu v rozsahu 190-300 A, výrobca TENSE (Turecko) Digitálne nadprúdové relé TRM-300 sú určené na ochranu záťaže pred poškodením spôsobeným vysokými prúdmi a zároveň umožňujú monitorovanie prevádzky. - 190-300 A (nastaviteľná hodnota nadprúdu) Použitie zariadenia a princíp činnosti
Po zapnutí zariadenia: Elektronické prúdové relé série TRM-300 je určené na automatické odpojenie spotrebičov pri prekročení maximálneho povoleného prúdu. Režimy obnovenia: - Manuálny režim: Po nadprúdovej poruche je potrebné zariadenie resetovať stlačením tlačidla Reset. Poznámka: Ak chcete zmeniť režim, podržte tlačidlo SELECT po dobu 10 sekúnd. Po zmene režimu sa rozsvieti príslušná kontrolka LED. Asymetria 50 % (pevná) Ak rozdiel medzi najväčším a najmenším fázovým prúdom prekročí 50 %, zariadenie do 2 sekúnd prejde do režimu chyby asymetrie. Keď nastane chyba asymetrie: Technické parametre: - Prevádzkové napätie: 150-260 V AC
Poznámka: Modely TRM-50, TRM-100, TRM-200 a TRM-300 sa môžu používať len s prúdovými transformátormi dodávanými so zariadením. Model TRM-400 sa môže používať s prúdovým transformátorom 400/5.
Základná stránka
|
Online platba kartou – po dokončení objednávky budete presmerovaní na platobnú bránu, potvrdenie o platbe vám príde na e‑mail.
Dobierka – úhradu podľa platobných podmienok zaplatíte vodičovi prepravnej spoločnosti.
Prevodom – na váš e‑mail obdržíte najneskôr nasledujúci pracovný deň zálohovú faktúru, na ktorej nájdete číslo účtu, ktoré zadáte pri platbe.
Na faktúru – túto možnosť úhrady majú partneri, ktorí majú s našou spoločnosťou uzatvorenú rámcovú zmluvu.
Ak by ste chceli použiť posledné 2 spôsoby platby, zavolajte nášmu manažérovi a ten vám poskytne inštrukcie, ako získať faktúru s DPH alebo bez DPH.
Nami dodávané elektrické zariadenia spĺňajú vysoké štandardy kvality, majú záruku 24 mesiacov a spĺňajú všetky požiadavky EÚ.
V prípade reklamácie sa za vrátenie tovaru neúčtuje žiadny poplatok.
