
Dostať upozornenie e‑mailom, keď bude produkt opäť na sklade
Predobjednávka produktu
- Popis
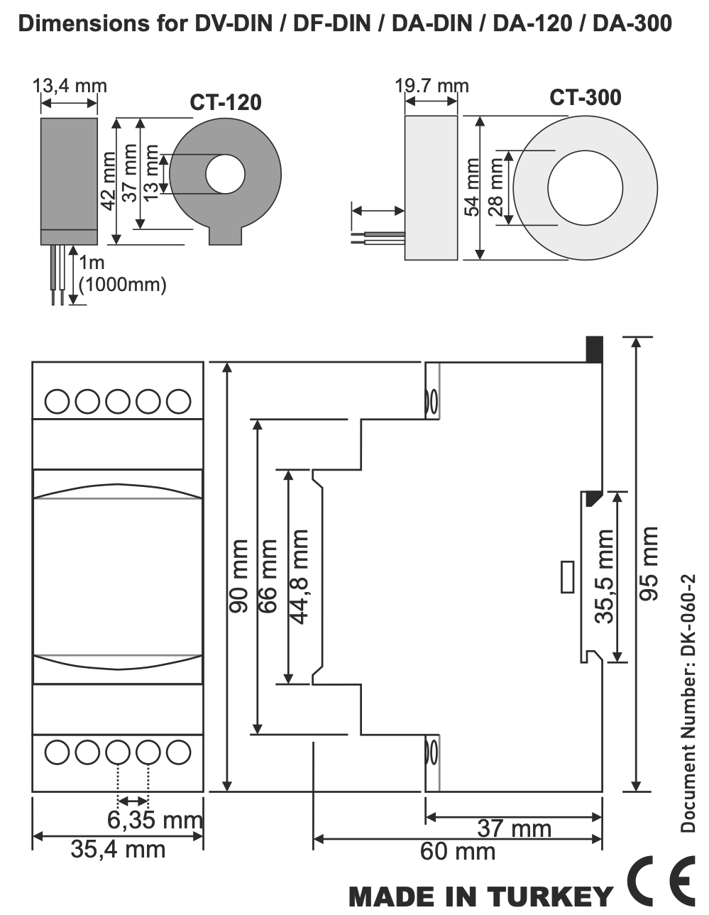
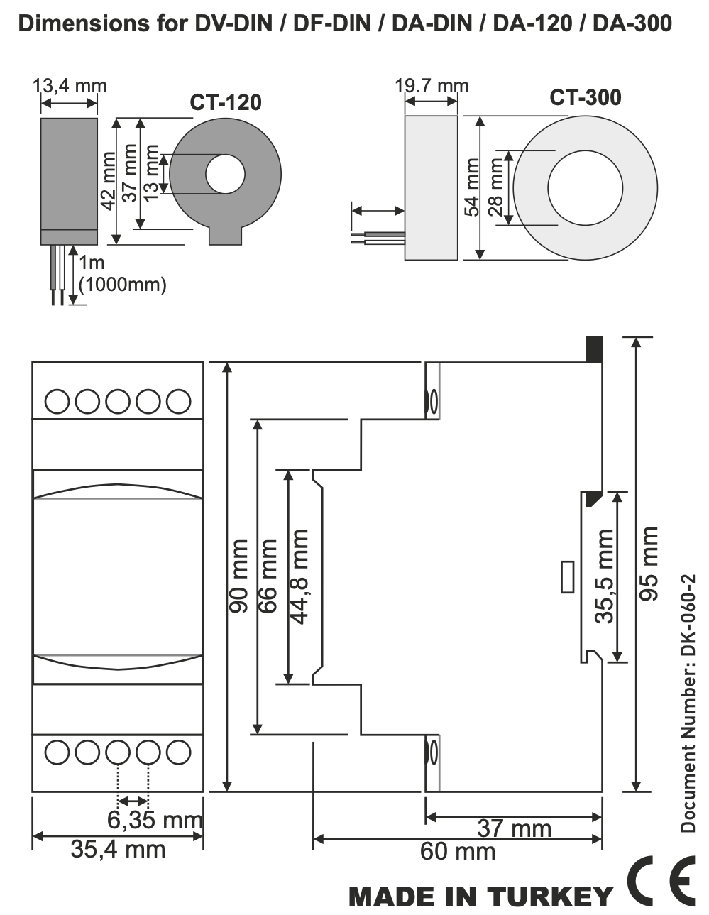
- Návody
- Spôsoby platby
- Záruka
Stiahnuť na
Online platba kartou – po dokončení objednávky budete presmerovaní na platobnú bránu, potvrdenie o platbe vám dorazí na e‑mail.
Dobierka – úhradu podľa platobného predpisu zaplatíte kuriérovi prepravnej spoločnosti.
Prevodom – na váš e‑mail obdržíte najneskôr nasledujúci pracovný deň zálohovú faktúru, na ktorej nájdete číslo účtu, ktoré zadáte pri platbe.
Na faktúru – túto možnosť úhrady majú partneri, ktorí majú s našou spoločnosťou uzatvorenú rámcovú zmluvu.
Ak by ste chceli použiť posledné dve možnosti, kontaktujte nášho manažéra, ktorý vám poskytne inštrukcie, ako obdržať faktúru s DPH alebo bez DPH.
Nami dodávané elektrické zariadenia spĺňajú vysoké štandardy kvality, majú záruku 24 mesiacov a vyhovujú všetkým požiadavkám EÚ.
Ponúkame tiež dopravu zdarma (pri objednávkach nad 100 €), flexibilný systém zliav a akcií. Technické znalosti a skúsenosti našich zamestnancov nám umožňujú poskytovať vysokokvalitné poradenstvo a v prípade potreby ponúknuť alternatívy elektrotechnických produktov.
Elektrické vybavenie, ktoré dodávame, spĺňa vysoké štandardy kvality, je kryté 24-mesačnou zárukou a spĺňa všetky požiadavky EÚ.
V prípade reklamácie sa vrátenie tovaru neúčtuje.
