RGT-12SVC - regulátor jalového výkonu 12 úrovní +TCR s RS485 ModBus RTU

Zostáva iba 3
SKU: RGT-12(SVC)
Bežná cena €262,80 vrátane DPH

12 krokov + TCR Regulátor účinníka s 2,9" grafickým LCD displejom a RS-485 (TENSE)

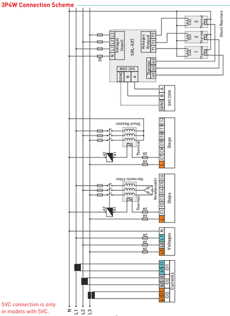
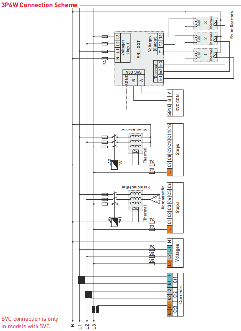
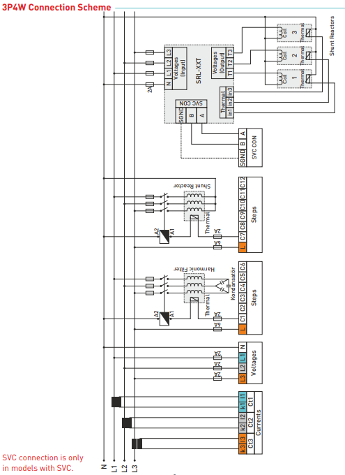
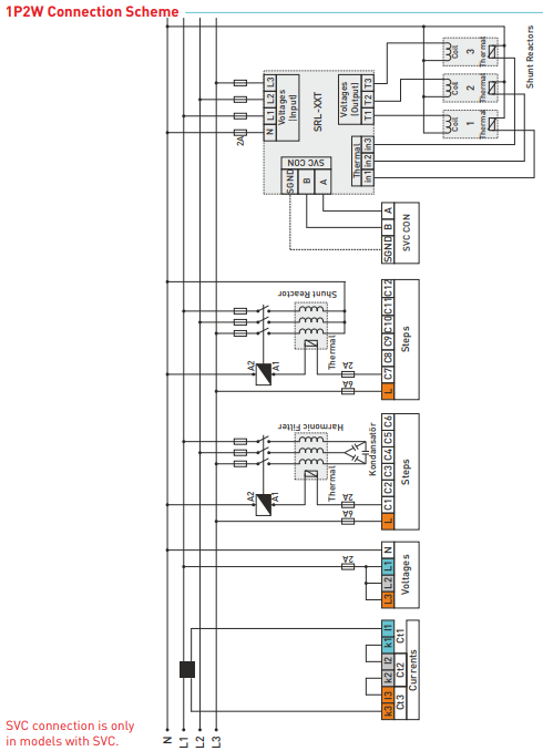
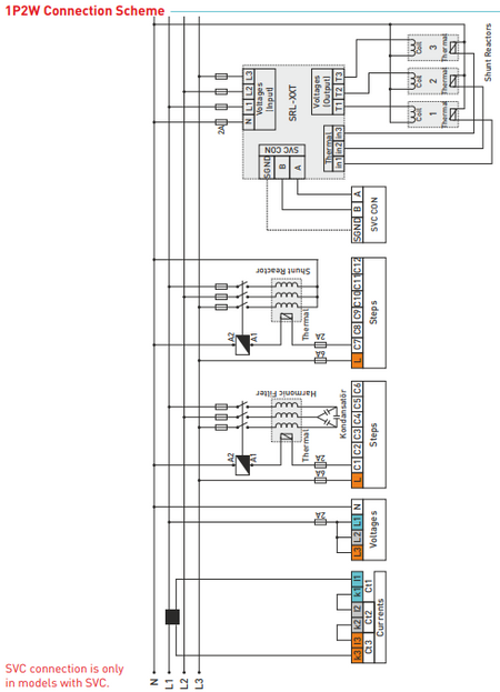
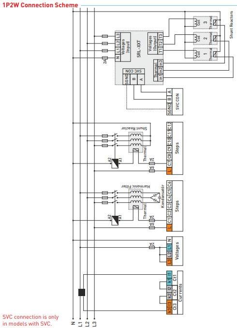
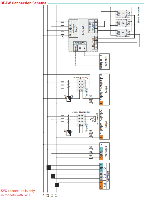
Regulátor jalového výkonu RGT-12SVC (TENSE ) je plne automatické zariadenie na optimálne prepínanie kompenzačných stupňov.

Digitálne spracovanie hodnôt nameraných regulátorom zabezpečuje vysokú presnosť vyhodnotenia účinníka, prúdu a napätia.

Inštalácia zariadenia je plne automatická - regulátor sám určuje veľkosť jednotlivých pripojených kompenzačných stupňov. Tieto parametre je možné zadať aj priamo manuálne.

Regulátor zapína a vypína kompenzačné stupne tak, aby sa jalový výkon reguloval s minimálnym počtom spínacích operácií. Regulátor zároveň zohľadňuje rovnomerné zaťaženie jednotlivých stupňov a prednostne spína tie stupne, ktoré boli najdlhšie bez napätia a pri ktorých je zvyškový náboj minimálny. Počas procesu regulácie sa kompenzačné stupne nepretržite paralelne monitorujú - zisťujú sa poruchy a zmeny hodnôt, dočasne vyradené stupne sa pravidelne testujú a v prípade potreby sa opäť zaraďujú do procesu regulácie.

  • Vstup generátora a kompenzácia generátora

  • Je možné nastaviť časy nábehu, vybíjania a ustálenia

  • Diaľková komunikácia pomocou RS485 (RS485 ModBus RTU)

  • Možnosť pripojenia jednofázového, dvojfázového a trojfázového kondenzátora a bočníka

  • Harmonické napätie a prúd možno sledovať až do 31. harmonickej

  • Možno sledovať celkovú energiu (import/export)

  • Možno sledovať hodnoty THD-V a THD-I každej fázy

  • Vytvorenie analýzy výkonu (20 vzoriek 9999 min.) - pre výber kondenzátora

Online platba kartou – po dokončení objednávky budete presmerovaní na platobnú bránu, potvrdenie o platbe vám príde na e‑mail.

Dobierka – úhradu podľa platobných podmienok zaplatíte vodičovi prepravnej spoločnosti.

Prevodom – na váš e‑mail obdržíte najneskôr nasledujúci pracovný deň zálohovú faktúru, na ktorej nájdete číslo účtu, ktoré zadáte pri platbe.

Na faktúru – túto možnosť úhrady majú partneri, ktorí majú s našou spoločnosťou uzatvorenú rámcovú zmluvu.

Ak by ste chceli použiť posledné 2 spôsoby platby, zavolajte nášmu manažérovi a ten vám poskytne inštrukcie, ako získať faktúru s DPH alebo bez DPH.

Nami dodávané elektrické zariadenia spĺňajú vysoké štandardy kvality, majú záruku 24 mesiacov a spĺňajú všetky požiadavky EÚ.

V prípade reklamácie sa za vrátenie tovaru neúčtuje žiadny poplatok.