Multifunkčné časové relé 2x4 LED displeje pre montáž na panel/dvere
Nepodarilo sa načítať dostupnosť vyzdvihnutia
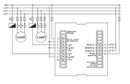
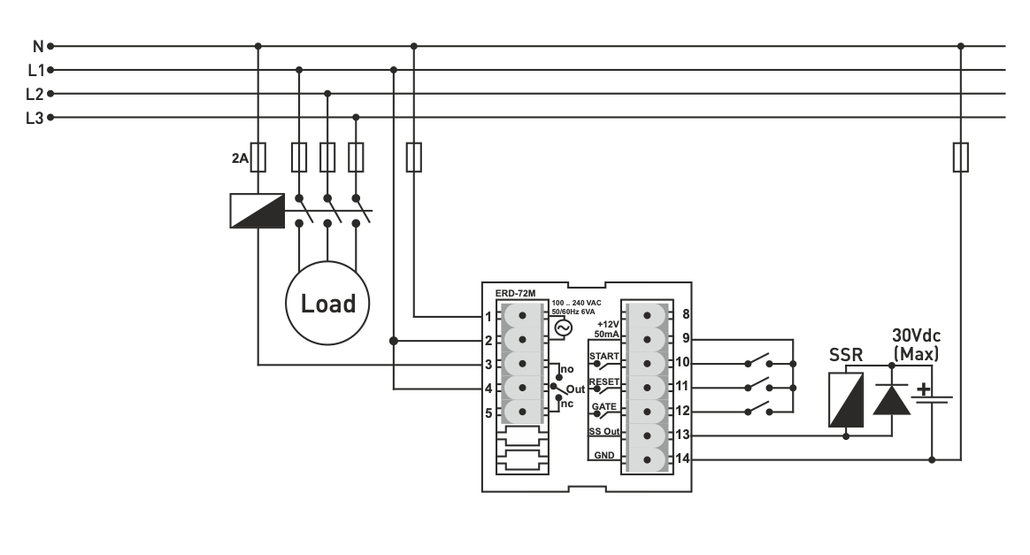
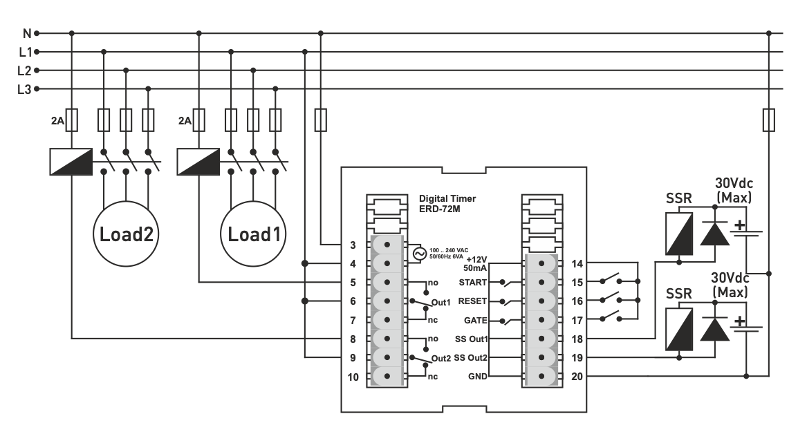
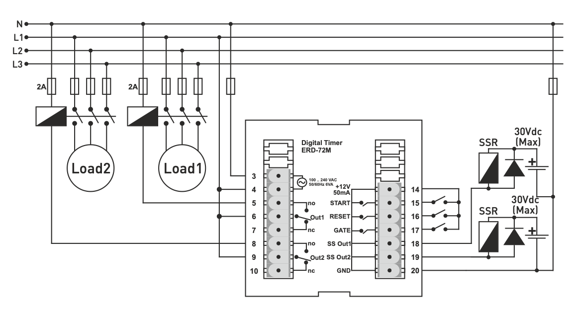
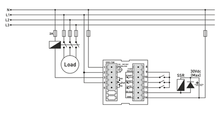
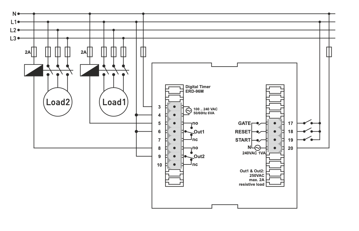
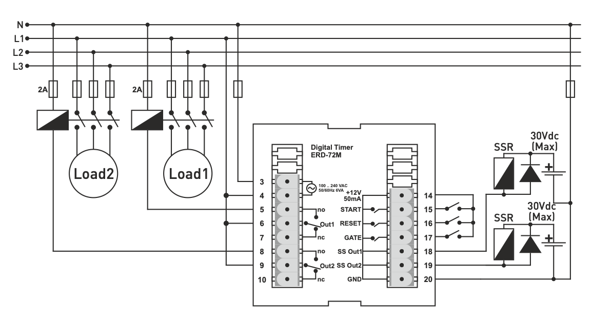
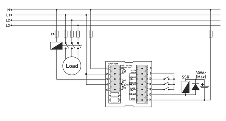
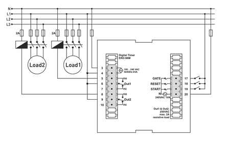
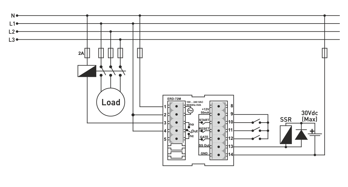
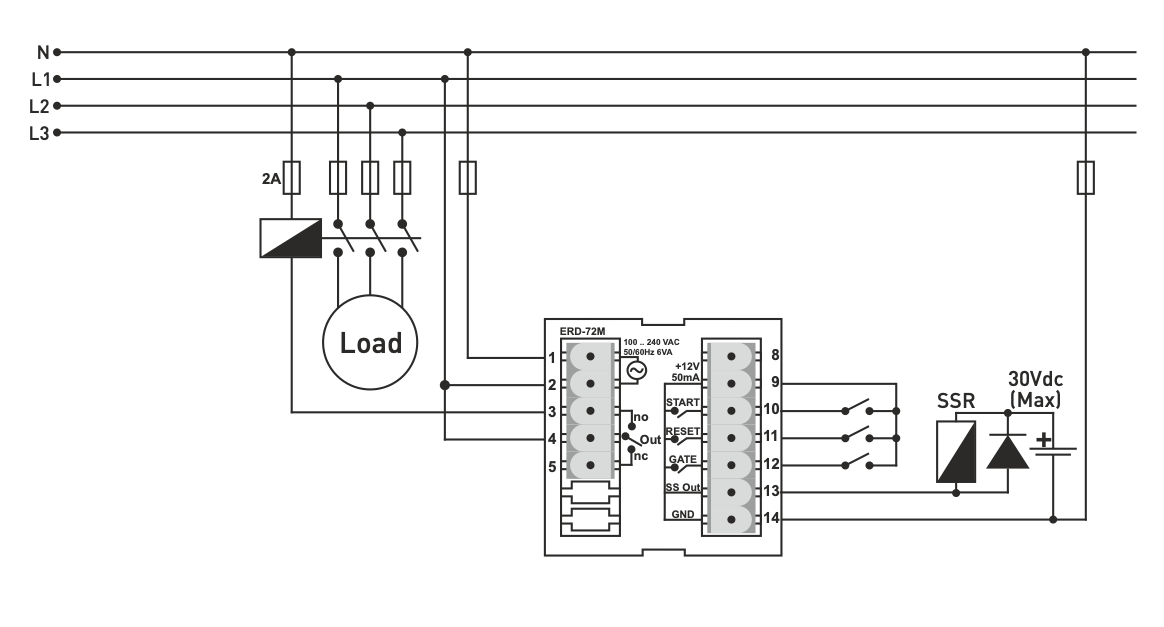
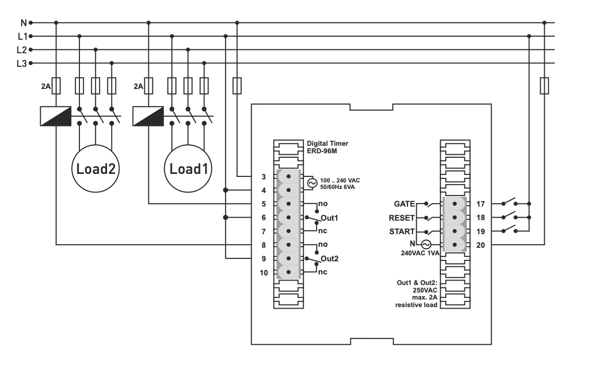
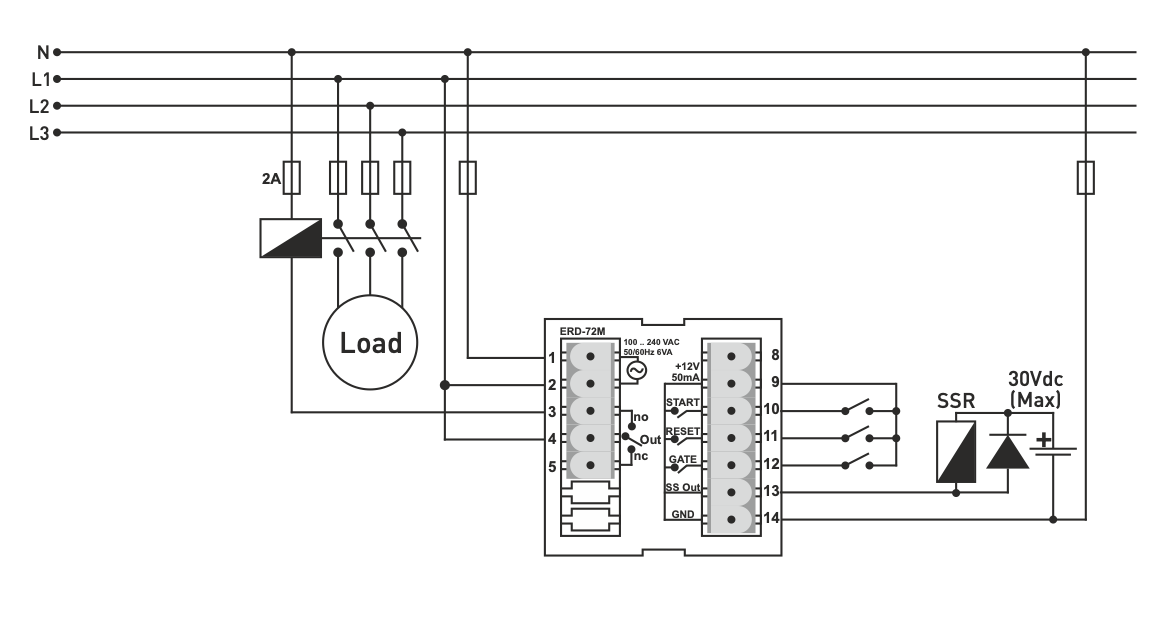
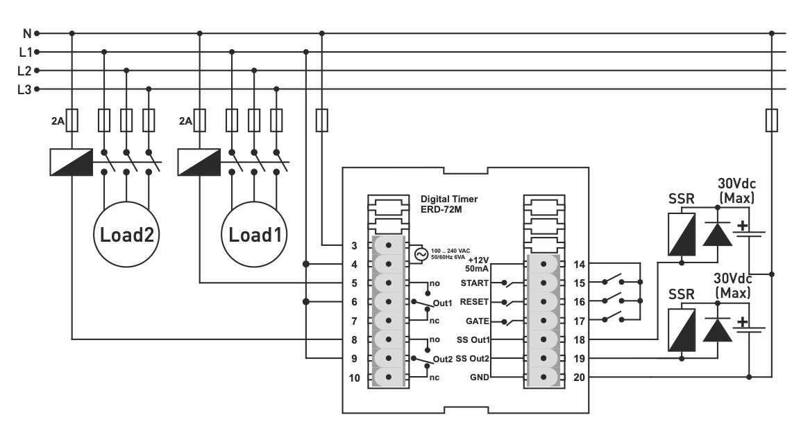
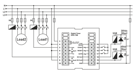
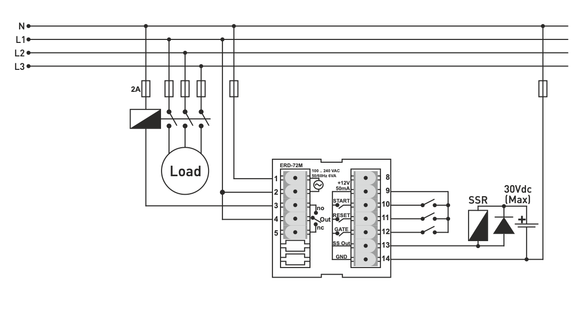
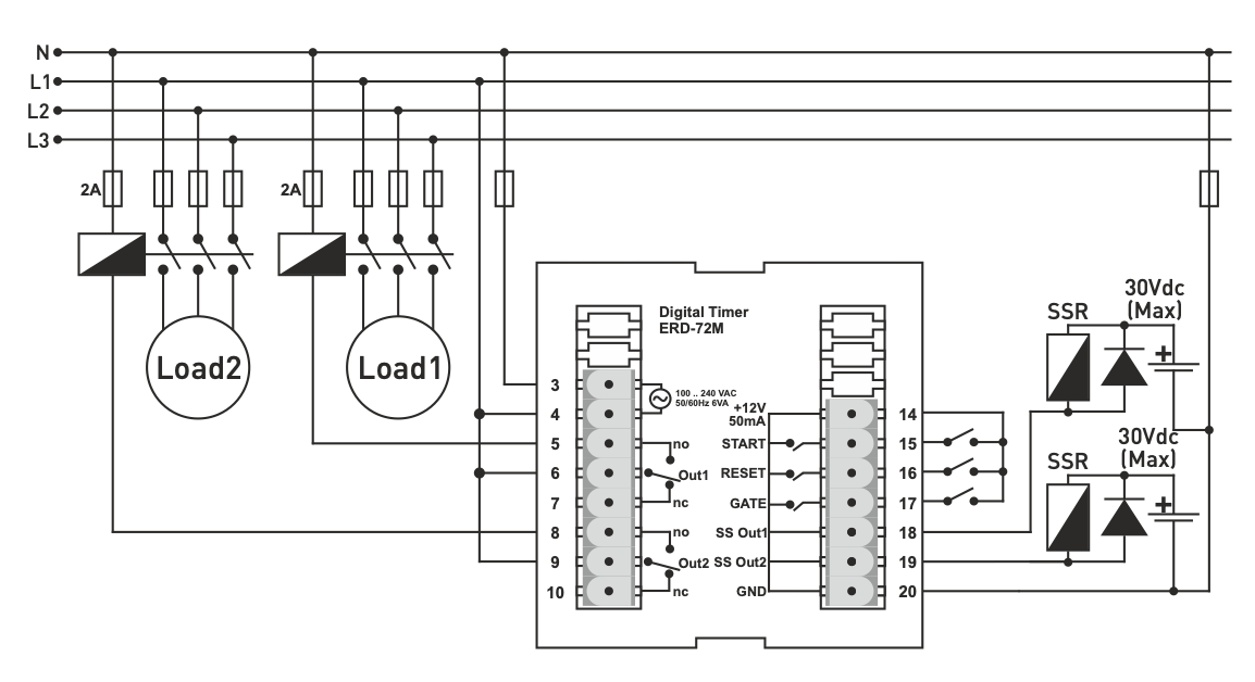
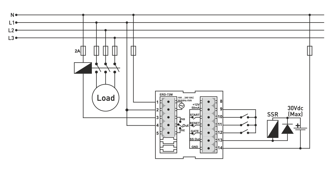
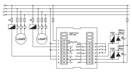
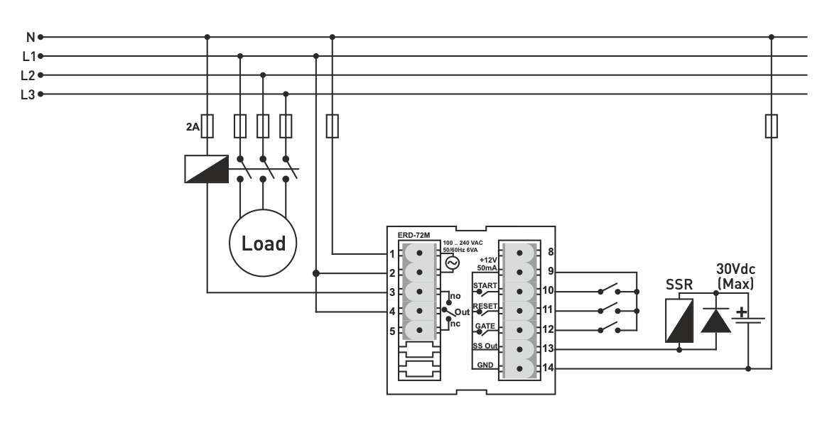
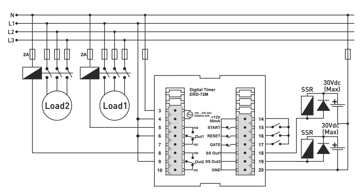
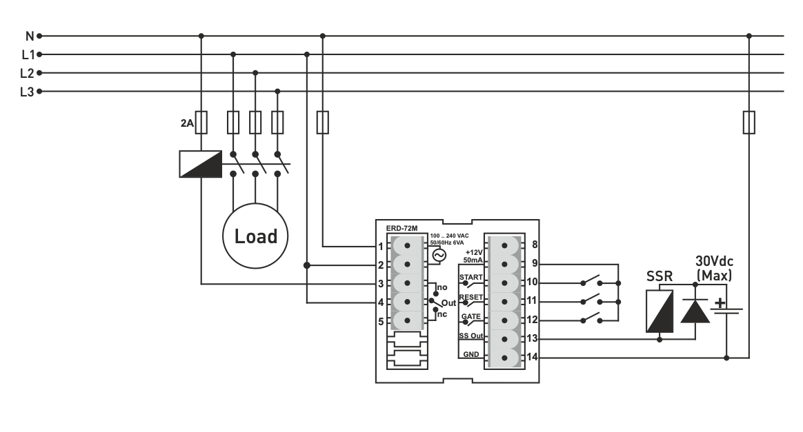
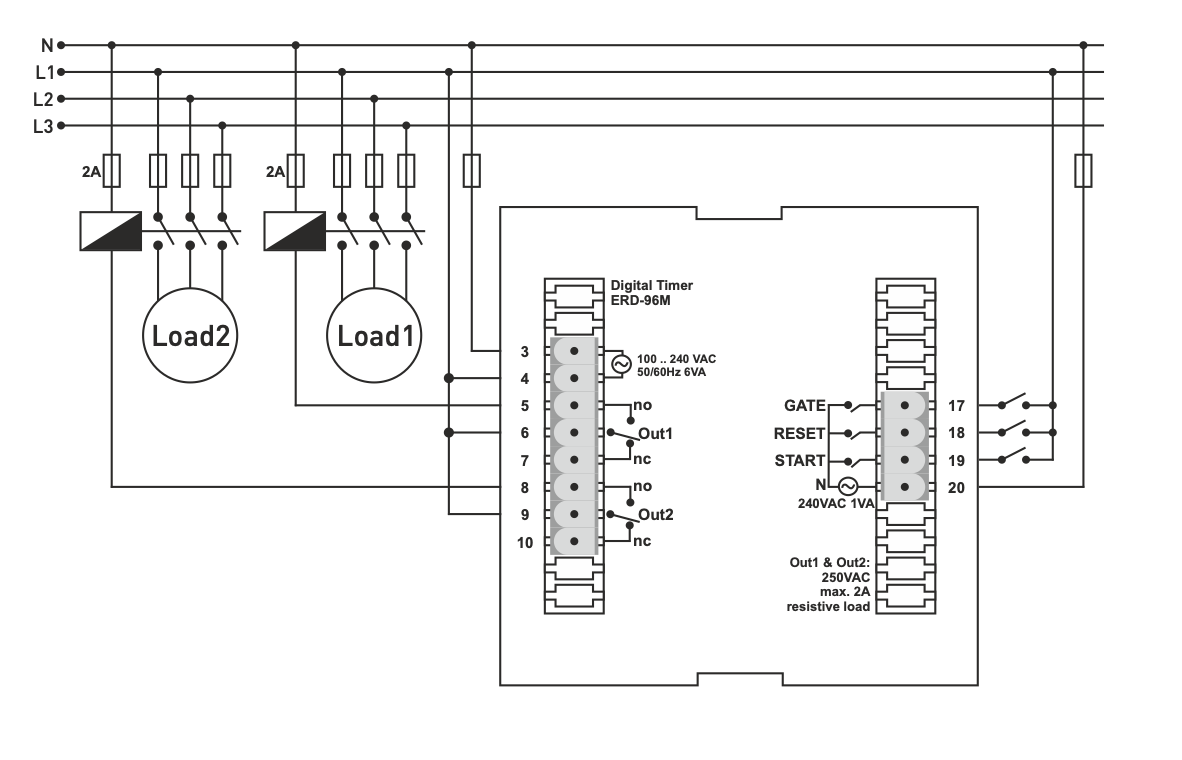
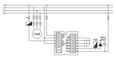
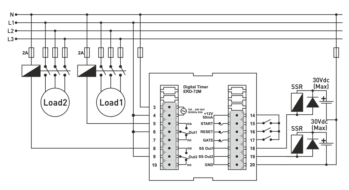
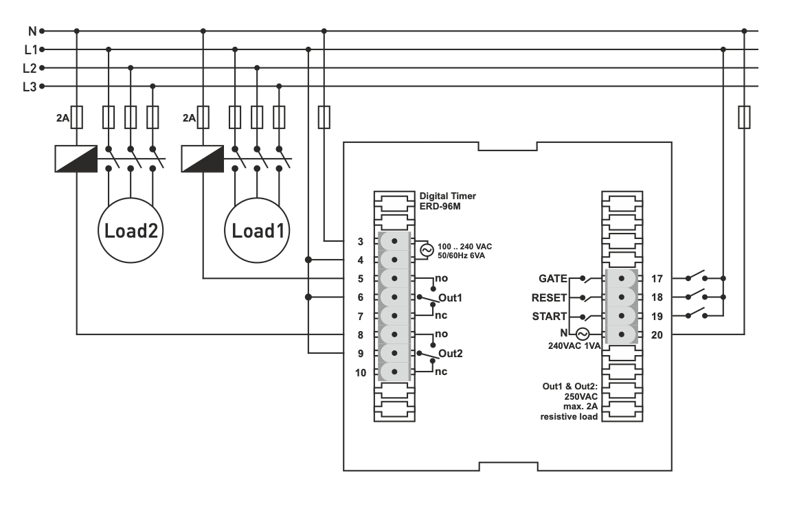
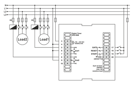
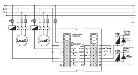
Multifunkčné časové relé 2x4 LED displeje na montáž na panel/dvere. TENSE ERD-96M, ERD-48M, ERD-72M
Časové relé s ôsmimi funkciami :
Režim 0: impulzné oneskorenie, OFF s RESETom
Režim 1: Blikanie s funkciou START/RESET
Režim 2: Jeden výstrel po zapnutí a vypnutí
Režim 3: Vypnuté oneskorenie
Režim 4: Sledovanie a oneskorenie zapnutia
Režim 5: Oneskorený jeden výstrel po vypnutí
Režim 6: Chronometer - počítanie so START
Režim 7: Chronometer - počítanie so START, resetovanie s RESET
Rozsah nastavenia času:
99:59 hodín / 99:59 minút / 599,9 sekúnd
Online platba kartou – po dokončení objednávky budete presmerovaní na platobnú bránu, potvrdenie o platbe vám príde na e‑mail.
Dobierka – úhradu podľa platobných podmienok zaplatíte vodičovi prepravnej spoločnosti.
Prevodom – na váš e‑mail obdržíte najneskôr nasledujúci pracovný deň zálohovú faktúru, na ktorej nájdete číslo účtu, ktoré zadáte pri platbe.
Na faktúru – túto možnosť úhrady majú partneri, ktorí majú s našou spoločnosťou uzatvorenú rámcovú zmluvu.
Ak by ste chceli použiť posledné 2 spôsoby platby, zavolajte nášmu manažérovi a ten vám poskytne inštrukcie, ako získať faktúru s DPH alebo bez DPH.
Nami dodávané elektrické zariadenia spĺňajú vysoké štandardy kvality, majú záruku 24 mesiacov a spĺňajú všetky požiadavky EÚ.
V prípade reklamácie sa za vrátenie tovaru neúčtuje žiadny poplatok.
