Digitálne nadprúdové relé s 3×3-miestnym LED displejom TRM-200
Nepodarilo sa načítať dostupnosť vyzdvihnutia
|
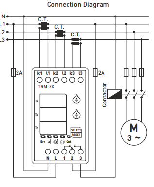
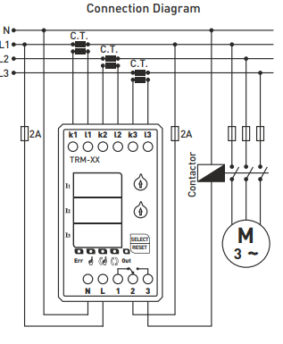
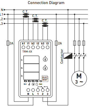
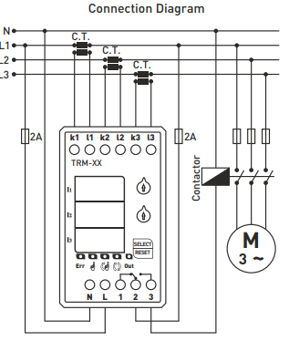
Trojfázové prúdové relé na riadenie/obmedzenie prúdu záťaže v rozsahu 90-200 A, výrobca TENSE (Turecko) Digitálne nadprúdové relé TRM-200 sú určené na ochranu záťaže pred poškodením spôsobeným vysokými prúdmi a zároveň umožňujú monitorovanie prevádzky. - 90-200 A (nastaviteľná hodnota nadprúdu) Použitie zariadenia a princíp činnosti
Po zapnutí zariadenia: Popis Elektronické prúdové relé série TRM-200 je určené na automatické odpojenie spotrebičov pri prekročení maximálneho povoleného prúdu. Režimy návratu do normálneho stavu: - Manuálny režim: Po nadprúdovej poruche je potrebné zariadenie resetovať stlačením tlačidla Reset. V tomto režime svieti príslušná LED dióda. Poznámka: Ak chcete zmeniť režim, podržte tlačidlo SELECT po dobu 10 sekúnd. Po zmene režimu sa rozsvieti príslušná kontrolka LED. Asymetria 50 % (pevná) Ak rozdiel medzi najväčším a najmenším fázovým prúdom prekročí 50 %, zariadenie do 2 sekúnd prejde do režimu chyby asymetrie. Keď sa vyskytne chyba asymetrie: Technické parametre: - Prevádzkové napätie: 150-260 V AC Poznámka: TRM-50, TRM-100, TRM-200 a TRM-300 sa môžu používať len s prúdovými transformátormi, ktoré sú súčasťou dodávky. TRM-400 možno používať s prúdovým transformátorom 400/5 dodávaným s TRM-400.
Základná stránka
|
Online platba kartou – po dokončení objednávky budete presmerovaní na platobnú bránu, potvrdenie o platbe vám príde na e‑mail.
Dobierka – úhradu podľa platobných podmienok zaplatíte vodičovi prepravnej spoločnosti.
Prevodom – na váš e‑mail obdržíte najneskôr nasledujúci pracovný deň zálohovú faktúru, na ktorej nájdete číslo účtu, ktoré zadáte pri platbe.
Na faktúru – túto možnosť úhrady majú partneri, ktorí majú s našou spoločnosťou uzatvorenú rámcovú zmluvu.
Ak by ste chceli použiť posledné 2 spôsoby platby, zavolajte nášmu manažérovi a ten vám poskytne inštrukcie, ako získať faktúru s DPH alebo bez DPH.
Nami dodávané elektrické zariadenia spĺňajú vysoké štandardy kvality, majú záruku 24 mesiacov a spĺňajú všetky požiadavky EÚ.
V prípade reklamácie sa za vrátenie tovaru neúčtuje žiadny poplatok.
